Home
Projects
Hobbies
BowAI
Beyond
Projects
Fridaymap.com
I built, launched, and actively run Fridaymap.com, a social mapping website for Cal Poly students to discuss and discover popular spots near campus.

This project was featured in a front-page Mustang News article and a radio story on KCPR.

Fridaymap.com is hosted with AWS EC2 & S3. It uses a Python / FastAPI backend and a React frontend.

Astromech robot
Pascal in a sunbeam
I'm working on the Astromech project with the Cal Poly Robotics Club. We're building an R2-D2-like robot (named Pascal) from the ground up, including subsystems such as a speaker system, display screens, and a T-shirt cannon.

I started out on the electrical team, soldering and assembling the custom PCBs and existing boards in the dome.

I'm currently working on the software team, maintaining an existing C++ codebase and managing the packet processing done on Pascal's ESP32s.

We're in the process of rebuilding the inner workings of the dome to make it electrically seperate from the body.
A Basys-3 FPGA board displaying four zeroes.
Testing the OTTER on a Basys-3 board
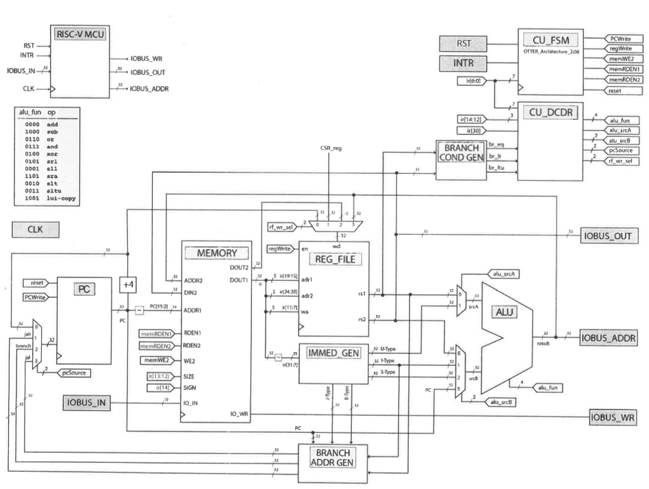
The OTTER is an assembly-programmable RISC-V microcontroller that I wrote from scratch.

The OTTER is written in SystemVerilog and was designed and verified in Xilinx Vivado, using unit-level timing analysis. Programs are written in RV32I RISC-V assembly and executed directly on the custom hardware.

I originally built the OTTER as a final project for a computer architecture course (CPE 233), and have been expanding on it since.

I originally built the OTTER based on this architecture, originally laid out by Prof. Joseph Callenes-Sloan. All code is my own.
ConstAnt Search Menu
Dev view of the search feature
ConstAnt was a website that served as a wiki-like library of mathematical constants.

The initial few thousand constants are generated automatically. From here, users have the ability to add their own constants to the database.

Users can like and contribute info related to constants, creating a set of useful data pertaining to each of the many constants searchable on the site.

ConstAnt uses a Python / Flask backend with a lot of SQLAlchemy ORM.
San Juan Errands Site
San Juan Errands was a food delivery scheduling website, with features such as order tracking for both the customer and the deliveryperson, control panels for managing orders, and secure email verification for new accounts.

This site also uses a Python / Flask backend + SQLAlchemy.

The San Juan Errands business is centered around errands & food delivery on San Juan Island, WA, where my family has a lot of history. This kind of service is rare in the area, with no Doordash or Grubhub presence of any kind.
SoundBo
SoundBo is a minimalistic, customizable soundbar for the MacOS menu bar.

I created SoundBo with the goal of achieving the minimal possible time between thought and sound.

In addition to short sound effects, it can also function as a solid music library.

SoundBo is very compact, in both storage space and UI.